| 外形图(带断电刹车) |

※ 部分为断电刹车;
※ 我们可以根据您的需求制定带刹车闭环步进电机的电气参数,也可以增配偏心齿轮减速箱或行星减速箱等;
※ 带刹车闭环步进电机安装时务必用电机前端盖安装止口定位,并注意公差配合,严格保证带刹车闭环步进电机输出轴与负载的同心度。
| 85mm 系列(带断电刹车) |
型号 | 外形尺寸 | 重量(kg) | |||
L(mm) | |||||
YSD288-KA4-E-S | 139 | 3.75 | |||
YSD2812-KA4-E-S | 175 | 5.07 | |||
YSD2816-KA4-E-S | 211 | 5.85 |
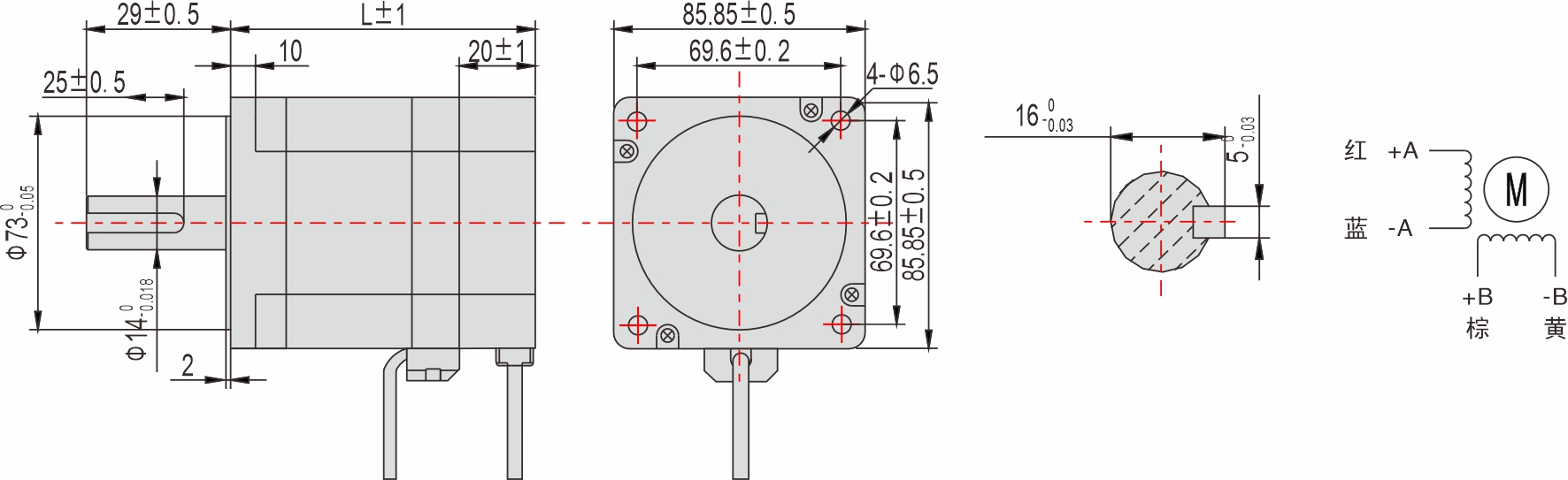
| 外形图 |

※ 此外形图为单转轴产品;
※ 我们可以根据您的需求制定闭环步进电机的电气参数,也可以增配偏心齿轮减速箱或行星减速箱、断电刹车等;
※ 闭环步进电机安装时务必用电机前端盖安装止口定位,并注意公差配合,严格保证闭环步进电机输出轴与负载的同心度。
| 85mm 系列 |
型号 | 外形尺寸 | 重量(kg) | |||
L(mm) | |||||
YSD288-KA4-E | 96 | 2.4 | |||
YSD2812-KA4-E | 133 | 3.72 | |||
YSD2816-KA4-E | 170 | 4.5 |
| 技术参数 |
步进电机 型号 | 驱动器 型号 | 电流 /相 | 电阻 /相 | 电感 /相 | 静力矩 | 引出线 | 转子惯量 | 重量 | 重量 (带断电刹车) | |
单轴 |
| A | Ω | mH | kg-cm |
| g-cm2 | Kg | Kg | |
YSD288-KA4-E-S | 5.6 | 0.35 | 2.8 | 42 | 4 | 1400 | 2.4 | 3.75 | ||
YSD2812-KA4-E-S | 5.6 | 0.5 | 5.5 | 80 | 4 | 2700 | 3.72 | 5.07 | ||
YSD2816-KA4-E-S | 5.6 | 0.65 | 8.2 | 120 | 4 | 4000 | 4.5 | 5.85 | ||
※ 其他特殊规格请与英士达机电或代理商洽谈。
| 矩频曲线图(带断电刹车) |
※ 矩频曲线图是基于本公司测量条件的数据,条件发生变化时,矩频曲线图可能会发生变化。
※ 因驱动器条件的不同,带刹车闭环步进电机可能会出现明显发热的情形,为保护编码器,请在带刹车闭环步进电机外壳温度85℃以下时使用。
|
| |
|
| 矩频曲线图 |
※ 矩频曲线图是基于本公司测量条件的数据,条件发生变化时,矩频曲线图可能会发生变化。
※ 因驱动器条件的不同,闭环步进电机可能会出现明显发热的情形,为保护编码器,请在闭环步进电机外壳温度85℃以下时使用。
|
| |
|
| 选购配件 |
电机动力线:
型号 | 长度L(m) | 导体(m㎡) |
SEB-PC050-01E | 1 | 0.5 |
SEB-PC050-02E | 2 | |
SEB-PC050-03E | 3 | |
SEB-PC050-04E | 4 | |
SEB-PC050-05E | 5 | |
SEB-PC050-07E | 7 | |
…… | …… | |
SEB-PC050-10E | 10 |
※ 用于闭环步进电机与驱动器之间连接时使用的已压连接器的1000万次超高柔拖链电缆线。
闭环步进电机与驱动器间的配线距离,请控制在10m以下。
电机编码器线:
型号 | 长度L(m) | 导体(m㎡) |
SEB-EC020-01E | 1 | 0.2 |
SEB-EC020-02E | 2 | |
SEB-EC020-03E | 3 | |
SEB-EC020-04E | 4 | |
SEB-ED020-05E | 5 | |
SEB-EC020-07E | 7 | |
…… | …… | |
SEB-EC020-10E | 10 |
※ 用于闭环步进电机与驱动器之间连接时使用的已压连接器的1000万次超高柔拖链电缆线。
闭环步进电机与驱动器间的配线距离,请控制在10m以下。
电机刹车线:
型号 | 长度L(m) | 导体(m㎡) |
SEB-BC050-01E | 1 | 0.5 |
SEB-BC050-02E | 2 | |
SEB-BC050-03E | 3 | |
SEB-BC050-04E | 4 | |
SEB-BC050-05E | 5 | |
SEB-BC050-07E | 7 | |
…… | …… | |
SEB-BC050-10E | 10 |
※ 用于闭环步进电机与驱动器之间连接时使用的已压连接器的1000万次超高柔拖链电缆线。
闭环步进电机与驱动器间的配线距离,请控制在10m以下。
| 电缆线注意事项 |

|
| |
插拔连接器时,请务必握住连接器进行操作。 如果拉住电缆线进行操作,可能会导致接触不良。 | 请勿弯曲连接器部分的电缆线,如果连接部或端子施加应力,可能会导致接触不良或断线。 请固定红色两处连接器部分,以防止连接器部晃动,导致端子损坏或接触不良。 | |
|
| |
插入连接器时: 请握住连接器本体,笔直插入。 如果倾斜插入,可能导致端子损坏或接触不良。 拔出连接器时: 请先解除连接器的卡扣,然后笔直拔出。 如果握住电缆线拔出,可能导致连接器损坏。 | 请使用适当的长度进行配线,以免电缆线移动时也不会被拉扯。此外,请确保弯曲半径R在电缆线直径6被以上。 |
| 定制出轴方式 |
|
|
|
| |||
圆轴 | 单扁丝 | 双扁丝 | 键槽 | |||
|
|
|
| |||
滚花 | 滚齿 | 通孔 | 空心轴 | |||
|
|
| ||||
螺纹轴 | 齿轮 | 同步带轮 |
| 技术参数 |
项目 | 技术参数 |
步距角 | 1.8゜ |
步距角精度 | ±5%(整步,空载) |
电阻精度 | ±10% |
电感精度 | ±20% |
温升 | 80℃ Max (额定电流,二相通电) |
环境温度 | -20℃~+50℃ |
绝缘电阻 | 100MΩ Min500VDC |
耐压 | 500V AC 一分钟 |
径向间隙 | 0.02Max (450g 负载) |
轴向间隙 | 0.08Max (450g 负载) |
径向最大负载 | 220N (距法兰面20mm) |
轴向最大负载 | 60N |
| 应用领域 |
木工雕刻机、激光雕刻机、打标机、贴标机、固晶机、焊线机、UV打印机、3D打印机、喷绘机、绘图仪、绣花机、点胶机、灌胶机、焊锡机、BGA返修台、贴合机、贴片机、热压机、背光源贴膜机、涂装机、往复机、端子机、剥线机、绕线机、锡膏印刷机、PCB钻孔机、V-CUT机、打靶机、FPC补强机、涂布机、叠片机、IC分选机、IC烧录机、编带机、医疗设备、非标设备、XYZ测量仪、连接器组装机、SMT周边设备等























