| 特点 |
● 高性能、低噪音、低价格、高速力矩大、平稳性极好
● 设有16档等角度恒力矩细分,最高分辨率40000步/转
● 采用独特的4线控制电路,有效的降低了噪音,增加了转动平稳性
● 最高反应频率可达200Kpps
● 步进脉冲停止超过100ms时,线圈电流自动减为20%~80%(由STOP设定)
● 双极恒流斩波方式,使得相同的步进电机可以输出更大的速度和功率
● 光电隔离信号输入/输出
● 驱动器电流:0.5A~8.0A/分16档可调
● 单电源输入,电压范围: AC60~130V(最佳输入电压 AC110V)
● 出错保护:①过热保护 ②过流 ③电压过低保护
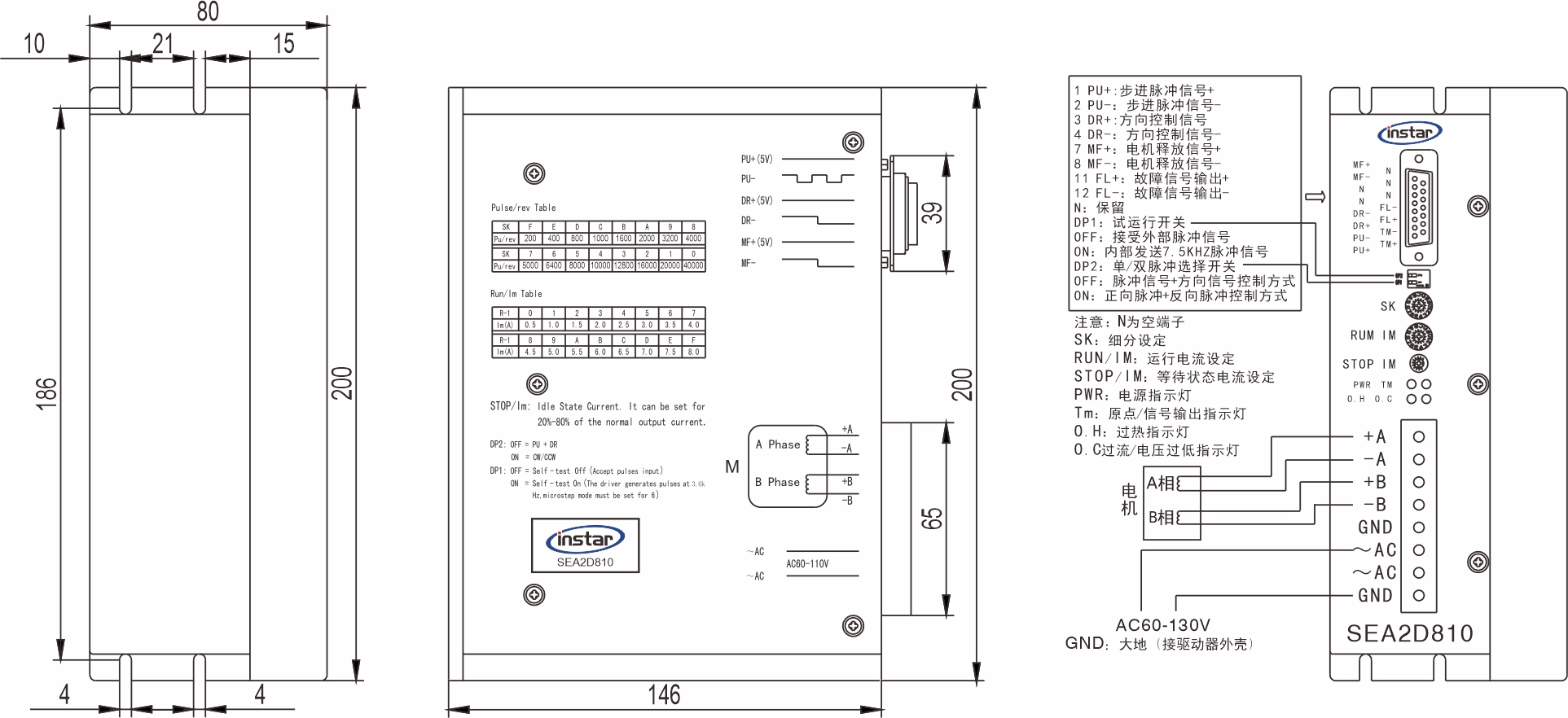
● 外形尺寸:200×156×80(mm),净重量:2.3kg
| 概述 |
SEA2D810 为一款等角度恒力矩细分型步进电机驱动器,驱动电压AC60V~130V(最佳输入电压 AC110V),适配外径86mm~130mm、相电流在8.0A以下,4或8出线各种型号的二相混合式步进电机。
驱动器内部采用双极恒流斩波方式,使步进电机噪音减小、运行更平稳;驱动器电源电压的增加使得步进电机的驱动能力和高速性能大为提高;步进脉冲停止超过100ms时,线圈电流自动减为20%~80%(由STOP设定),使驱动器的发热可减少50%,也使得步进电机的发热减少。用户使用脉冲频率不高的时候使用低速高细分最高可达40000步/转,使步进电机运转精度提高、振动减小、噪音降低。
| 应用领域 |
木工雕刻机、激光雕刻机、打标机、贴标机、固晶机、焊线机、UV打印机、3D打印机、喷绘机、绘图仪、绣花机、点胶机、灌胶机、焊锡机、BGA返修台、贴合机、贴片机、热压机、背光源贴膜机、涂装机、往复机、端子机、剥线机、绕线机、锡膏印刷机、PCB钻孔机、V-CUT机、打靶机、FPC补强机、涂布机、叠片机、IC分选机、IC烧录机、编带机、医疗设备、非标设备、XYZ测量仪、连接器组装机、SMT周边设备等
| 脉冲数设定表 |
SK | F | E | D | C | B | A | 8 | 8 | 7 | 6 | 5 | 4 | 3 | 2 | 1 | 0 |
脉冲数/转 | 200 | 400 | 800 | 1000 | 1600 | 2000 | 3200 | 4000 | 5000 | 6400 | 8000 | 10000 | 12800 | 16000 | 20000 | 40000 |
| DIP开关功能设定 |
DP1 | OFF:接受外部脉冲信号 ON:接收内部脉冲信号,此时驱动器内部发出7.5kHz脉冲信号,脉冲数应设置为:2000~10000) |
DP2 | OFF:脉冲信号+方向信号控制 ON: 正向脉冲信号+反向脉冲信号控制 |
| 电流设定 |
1.STOP/Im为保持状态输出电流设置电位器,可设置为正常输出电流的20%~80%(顺时针增大,逆时针减小)
2.RUN/Im为正常工作输出电流设置开关(详见下表)
RUN/Im | 0 | 1 | 2 | 3 | 4 | 5 | 6 | 7 | 8 | 9 | A | B | C | D | E | F |
Im (A) | 0.5 | 1.0 | 1.5 | 2.0 | 2.5 | 3.0 | 3.5 | 4.0 | 4.5 | 5.0 | 5.5 | 6.0 | 6.5 | 7.0 | 7.5 | 8.0 |
| 外形尺寸图 |

| 引脚功能说明 |
标记符号 | 功能 | 注 释 |
POWER | 电源指示灯 | 通电时,指示灯常亮 |
TM | 工作指示灯 | 步进脉冲频率低时,绿色指示灯闪烁,步进脉冲频率高时,绿色指示灯常亮 |
O.H | 过热指示灯 | 驱动器温升超过70℃时,红色指示灯常亮 |
O.C | 过流/欠压指示灯 | 驱动器电流过高或欠压时,红色指示灯常亮 |
Im | 步进电机线圈电流设定 | 设定步进电机相电流,顺时针增大、逆时针减小 |
PU+ | 输入信号光电隔离正端 | 接+5V~+24V 脉冲信号电源,高于+5V脉冲信号电源,需要接限流电阻 |
PU- | DP2=OFF,步进脉冲信号 | 下将沿有效,每当脉冲由高变低时,步进电机走一步。输入电阻220Ω,要求:低电平+0V~+0.5V,高电平+4V~+5V,脉冲宽度>2.5μs。 |
DP2=ON,正向步进脉冲信号 | ||
DR+ | 输入信号光电隔离正端 | 接+5V~+24V 脉冲信号电源,高于+5V脉冲信号电源,需要接限流电阻 |
DR- | DP2=OFF,方向控制信号 | 用于改变步进电机反转,输入电阻220Ω,要求:低电平+0V~+0.5V,高电平+4V~+5V,脉冲宽度>2.5μs。 |
DP2=ON,反转步进脉冲信号 | ||
MF+ | 输入信号光电隔离正端 | 接+5V~+24V 脉冲信号电源,高于+5V脉冲信号电源,需要接限流电阻 |
MF- | 步进电机释放信号 | 低电平有效时关断步进电机线圈电流,步进电机处于自由状态。 |
TM+ | 原点输出光电隔离正端 | 步进电机线圈通电位于原点置为有效,光电隔离输出(高电平) |
TM- | 原点输出光电隔离负端 | TM+接输出信号限流电阻,TM-接输出地,最大输出电压50V、电流50mA |
FL+ | 过热/欠压保护光电隔离正端 | 驱动器温度超过70℃或欠压时,自动切断步进电机线圈电流并置FL-有效(低电平)驱动器温度降低到50℃时,驱动器自动恢复正常工作并清除信号。 |
FL- | 过热/欠压保护光电隔离负端 | FL+接输出信号限流电阻,FL-接输出地,最大输出电压50V、电流50mA |
AC | 电源 | AC60~130V (最佳输入电压 AC110V) |
AC | ||
GND | 地线 | 大地(内接驱动器外壳) |
+A、-A | 步进电机接线 | 请参照各步进电机接线图 |
+B、-B |
| 注意事项 |
1、请不要将电源正负极接反,输入电源电压不要超过AC130V;
2、输入控制信号电平为+5V,当高于+5V时需要在PU-、DR-、FM-端接限流电阻(限流电阻请勿接在+端);
3、该型号步进电机驱动器采用特殊的控制电路,故必须使用6或8出线步进电机;
4、驱动器温度超过70℃时将自动停止工作,O.H故障指示灯常亮,直到驱动器温度降到50℃驱动器自动恢复工作,出现过热保护请加装散热器;
5、过流或欠压时O.C故障指示灯常亮,请检查步进电机接线及其他短路故障或是否电源电压过低,若是步进电机接线及其他短路故障,排除后需要重新上电恢复;
6、驱动器通电时PWR绿色指示灯常亮;
7、过零点时,TM指示灯在脉冲输入时亮。


