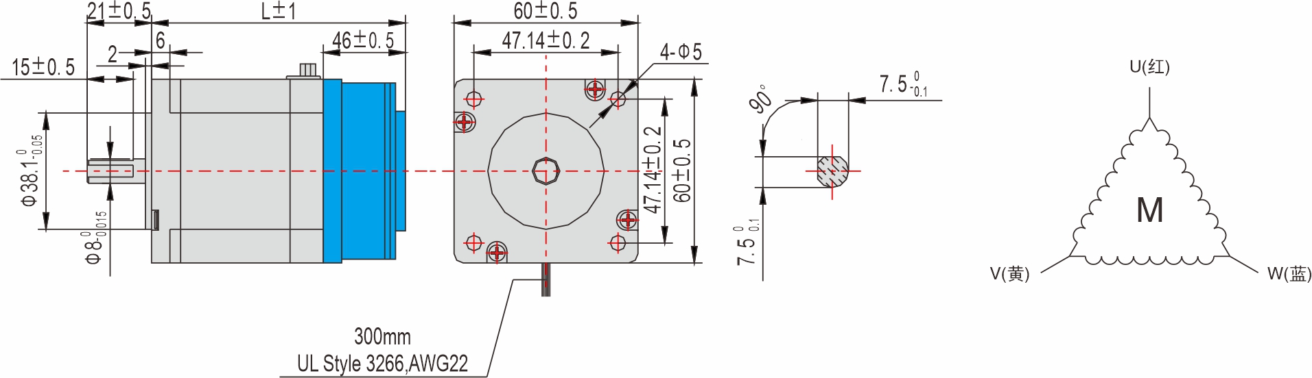
| 外形图 |

※ 此外形图为单转轴产品, 部分为断电刹车;
※ 我们可以根据您的需求制定步进电机的电气参数,也可以增配偏心齿轮减速箱或行星减速箱、编码器等;
※ 步进电机安装时务必用电机前端盖安装止口定位,并注意公差配合,严格保证步进电机输出轴与负载的同心度。
| 60mm 系列 |
型号 | 外形尺寸 | 重量(kg) | |||
L(mm) | |||||
YSD366-XXX | 102 | 0.58 | |||
YSD367-XXX | 110 | 0.85 | |||
YSD369-XXX | 136 | 1.4 |
| 技术参数 |
步进电机 型号 | 驱动器 型号 | 电流 /相 | 电阻 /相 | 电感 /相 | 静力矩 | 引出线 | 转子惯量 | 重量 | 机身长度 | |
单轴 |
| A | Ω | mH | kg-cm |
| g-cm2 | Kg | L(mm) | |
YSD366-RA3-S | 5.2 | 0.95 | 1.8 | 8 | 3 | 280 | 0.58 | 102 | ||
YSD367-RA3-S | 5.6 | 0.7 | 1.2 | 11 | 3 | 380 | 0.85 | 110 | ||
YSD369-RA3-S | 5.8 | 0.45 | 1 | 16 | 3 | 580 | 1.4 | 136 | ||
※ 其他特殊规格请与英士达机电或代理商洽谈。
| 定制出轴方式 |
|
|
|
| |||
圆轴 | 单扁丝 | 双扁丝 | 键槽 | |||
|
|
|
| |||
滚花 | 滚齿 | 通孔 | 空心轴 | |||
|
|
| ||||
螺纹轴 | 齿轮 | 同步带轮 |
| 定制接口方式 |
|
|
| ||
□42mm 系列 马达端接口:Moles 89401-1160 引线端接口:Moles 87369-1100 | □42mm 系列 马达端接口:JST S6B-PH-K 引线端接口:JST PHR-6 | □56mm 系列 马达端接口:JST S6B-FH 引线端接口:JST PHR-6 | ||
|
|
| ||
□56mm □60mm 系列 马达端接口:JST S11B-XH-A-1 引线端接口:JST XHP-11 | □56mm 系列 马达端接口:JST S6B-XH-A-1 引线端接口:JST XHP-6 | □60mm 系列 马达端接口:JST S7B-XH-A-1 引线端接口:JST XHP-7 |
| 技术参数 |
项目 | 技术参数 |
步距角 | 1.2゜ |
步距角精度 | ±5%(整步,空载) |
电阻精度 | ±10% |
电感精度 | ±20% |
温升 | 80℃ Max (额定电流,二相通电) |
环境温度 | -20℃~+50℃ |
绝缘电阻 | 100MΩ Min500VDC |
耐压 | 500V AC 一分钟 |
径向间隙 | 0.02Max (450g 负载) |
轴向间隙 | 0.08Max (450g 负载) |
径向最大负载 | 75N (距法兰面20mm) |
轴向最大负载 | 15N |
| 应用领域 |
木工雕刻机、激光雕刻机、打标机、贴标机、固晶机、焊线机、UV打印机、3D打印机、喷绘机、绘图仪、绣花机、点胶机、灌胶机、焊锡机、BGA返修台、贴合机、贴片机、热压机、背光源贴膜机、涂装机、往复机、端子机、剥线机、绕线机、锡膏印刷机、PCB钻孔机、V-CUT机、打靶机、FPC补强机、涂布机、叠片机、IC分选机、IC烧录机、编带机、医疗设备、非标设备、XYZ测量仪、连接器组装机、SMT周边设备等



















