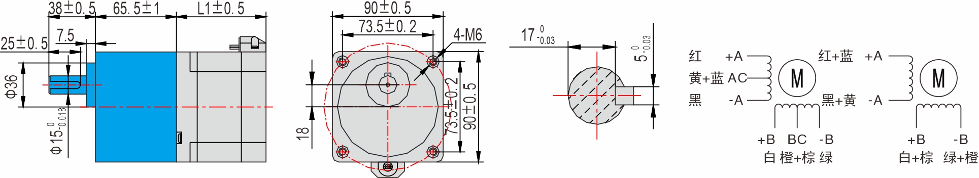
| 外形图 |

※ 此外形图为偏心齿轮箱步进电机, 部分为偏心齿轮箱;
※ 我们可以根据您的需求制定步进电机的电气参数,也可以增配断电刹车、编码器等;
※ 步进电机安装时务必用电机前端盖安装止口定位,并注意公差配合,严格保证步进电机输出轴与负载的同心度。
| 85mm 系列 |
型号 | 外形尺寸 | 重量(kg) (含减速机) | |||
L1(mm) | |||||
YSD286-XXX | 65 | 2.89 | |||
YSD288-XXX | 80 | 3.38 | |||
YSD2812-XXX | 118 | 4.88 |
※ 步进电机型号中的□为减速比的数值。
| 齿轮箱技术参数 |
减速比 | 3 | 5 | 10 | 15 | 20 | 25 | 30 | 50 | ||
减速箱数级 | 1 | 2 | 3 | |||||||
(mm) | 65.5 | |||||||||
倍隙(゜) | ≦4 | ≦3.5 | ≦3 | |||||||
| 技术参数 |
步进电机 型号 | 驱动器 型号 | 电流 /相 | 电阻 /相 | 电感 /相 | 静力矩 | 引出线 | 转子惯量 | 重量 (含减速机) | 机身长度 | |
单轴 |
| A | Ω | mH | kg-cm |
| g-cm2 | Kg | L1(mm) | |
YSD286-KA8-GB□ | 4 | 1.4 | 3.9 | 34 | 8 | 1000 | 2.89 | 65 | ||
YSD288-KA8-GB□ | 4 | 0.75 | 3.4 | 45 | 8 | 1400 | 3.38 | 80 | ||
YSD2812-KA8-GB□ | 6 | 0.9 | 6 | 85 | 8 | 2700 | 4.88 | 118 | ||
※ 步进电机型号中的□为减速比的数值。
※ 其他特殊规格请与英士达机电或代理商洽谈。
| 矩频曲线图 |
※ 矩频曲线图是基于本公司测量条件的数据,条件发生变化时,矩频曲线图可能会发生变化。
※ 因驱动器条件的不同,步进电机可能会出现明显发热的情形,请在步进电机外壳温度100℃以下时使用。
※ 请将驱动器的设定电流设置于步进电机额定电流以下。
※ 以下矩频曲线测量数据是步进电机端所输出的扭矩,由于齿轮减速机传动效能比较低,只适合减速使用,如果需要增大力矩,建议更换行星减速机。
|
| |
|
| 选购配件 |
电机动力线:
型号 | 长度L(m) | 导体(m㎡) |
SEB-PC050-01E | 1 | 0.5 |
SEB-PC050-02E | 2 | |
SEB-PC050-03E | 3 | |
SEB-PC050-04E | 4 | |
SEB-PC050-05E | 5 | |
SEB-PC050-07E | 7 | |
…… | …… | |
SEB-PC050-10E | 10 |
※ 用于步进电机与驱动器之间连接时使用的已压连接器的1000万次超高柔拖链电缆线。
步进电机与驱动器间的配线距离,请控制在10m以下。
电机刹车线:
型号 | 长度L(m) | 导体(m㎡) |
SEB-BC050-01E | 1 | 0.5 |
SEB-BC050-02E | 2 | |
SEB-BC050-03E | 3 | |
SEB-BC050-04E | 4 | |
SEB-BC050-05E | 5 | |
SEB-BC050-07E | 7 | |
…… | …… | |
SEB-BC050-10E | 10 |
※ 用于步进电机与驱动器之间连接时使用的已压连接器的1000万次超高柔拖链电缆线。
步进电机与驱动器间的配线距离,请控制在10m以下。
| 电缆线注意事项 |

|
| |
插拔连接器时,请务必握住连接器进行操作。 如果拉住电缆线进行操作,可能会导致接触不良。 | 请勿弯曲连接器部分的电缆线,如果连接部或端子施加应力,可能会导致接触不良或断线。 请固定红色两处连接器部分,以防止连接器部晃动,导致端子损坏或接触不良。 | |
|
| |
插入连接器时: 请握住连接器本体,笔直插入。 如果倾斜插入,可能导致端子损坏或接触不良。 拔出连接器时: 请先解除连接器的卡扣,然后笔直拔出。 如果握住电缆线拔出,可能导致连接器损坏。 | 请使用适当的长度进行配线,以免电缆线移动时也不会被拉扯。此外,请确保弯曲半径R在电缆线直径6被以上。 |
| 技术参数 |
项目 | 技术参数 |
步距角 | 1.8゜ |
步距角精度 | ±5%(整步,空载) |
电阻精度 | ±10% |
电感精度 | ±20% |
温升 | 80℃ Max (额定电流,二相通电) |
环境温度 | -20℃~+50℃ |
绝缘电阻 | 100MΩ Min500VDC |
耐压 | 500V AC 一分钟 |
径向间隙 | 0.02Max (450g 负载) |
轴向间隙 | 0.08Max (450g 负载) |
径向最大负载 | 220N (距法兰面20mm) |
轴向最大负载 | 60N |
| 应用领域 |
木工雕刻机、激光雕刻机、打标机、贴标机、固晶机、焊线机、UV打印机、3D打印机、喷绘机、绘图仪、绣花机、点胶机、灌胶机、焊锡机、BGA返修台、贴合机、贴片机、热压机、背光源贴膜机、涂装机、往复机、端子机、剥线机、绕线机、锡膏印刷机、PCB钻孔机、V-CUT机、打靶机、FPC补强机、涂布机、叠片机、IC分选机、IC烧录机、编带机、医疗设备、非标设备、XYZ测量仪、连接器组装机、SMT周边设备等










