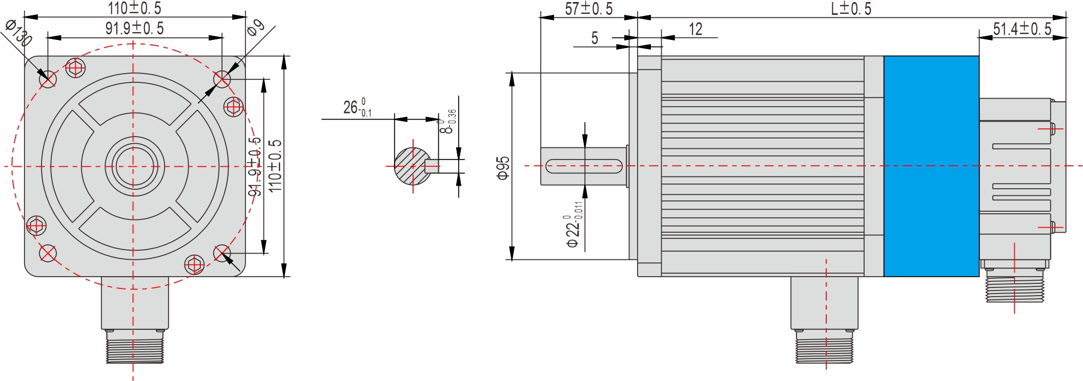
| 外形图 |

※ 我们可以根据您的需求定制伺服电机的电气参数,也可以增配行星减速机等;
※ 伺服电机安装时务必用伺服电机前端盖安装止口定位,并注意公差配合,严格保证伺服电机输出轴与负载的同心度。
| 110mm 系列 |
型号 | 外形尺寸 | 重量(kg) | |||
L(mm) | |||||
YSD11060ASK | 159 | 4.5 | |||
YSD11080DSK | 189 | 6 | |||
YSD11120ASK | 189 | 6 | |||
YSD11150ASK | 204 | 6.9 | |||
YSD11180ASK | 219 | 7.9 |
| 外形图(带断电刹车) |

※ 部分为断电刹车;
※ 我们可以根据您的需求定制伺服电机的电气参数,也可以增配行星减速机等;
※ 伺服电机安装时务必用伺服电机前端盖安装止口定位,并注意公差配合,严格保证伺服电机输出轴与负载的同心度。
| 110mm 系列(带断电刹车) |
型号 | 外形尺寸 | 重量(kg) | |||
L(mm) | |||||
YSD11060ASK-S | 215 | 6.5 | |||
YSD11080DSK-S | 245 | 8 | |||
YSD11120ASK-S | 245 | 8 | |||
YSD11150ASK-S | 260 | 8.9 | |||
YSD11180ASK-S | 275 | 9.9 |
| 技术参数 |
伺服电机型号 | YSD11060ASK | YSD11080DSK | YSD11120ASK | YSD11150ASK | YSD11800ASK | |
伺服电机型号(带断电刹车) | YSD11060ASK-S | YSD11080DSK-S | YSD11120ASK-S | YSD11150ASK-S | YSD11800ASK-S | |
伺服驱动器型号 | SDA076-MF30-060 | SDA076-MF30-080 | SDA076-MF30-120 | SDA076-MF30-150 | SDA100-MF30-180 | |
法兰规格(□) | □110 | □110 | □110 | □110 | □110 | |
额定功率 | W | 600 | 800 | 1200 | 1500 | 1800 |
额定扭矩 | N.m | 2 | 4 | 4 | 5 | 6 |
kgf.cm | 20.41 | 40.82 | 40.82 | 51.02 | 61.22 | |
最大扭矩 | N.m | 6 | 12 | 12 | 15 | 18 |
kgf.cm | 61.22 | 122.45 | 122.45 | 153.06 | 183.67 | |
额定转数 | r/min | 3000 | 2000 | 3000 | 3000 | 3000 |
转子惯量 | kg.m2X10-4 | 3.1 | 5.4 | 5.4 | 6.3 | 7.6 |
转矩常数 | N.m/A | 0.8 | 1.14 | 0.8 | 0.83 | 1 |
电压常数 | V/krpm | 55 | 78 | 55 | 63 | 61 |
电阻 | Ω | 3.61 | 2.42 | 1.08 | 1.02 | 0.82 |
电感 | mH | 8.33 | 7.4 | 3.4 | 3.44 | 2.28 |
电器时间常数 | ms | 2.3 | 3.06 | 3.14 | 3.37 | 3.15 |
规格与特征 | 结构 | 全封闭,无通风 IP65(不包括轴部分和连接处) | ||||
环境温度 | 工作温度:0~40℃,存储温度:-20~80℃ | |||||
环境湿度 | 低于90%(无凝露) | |||||
空气 | 避免阳光直射,避免腐蚀气体、易燃气体、油污或灰尘 | |||||
重量 | kg | 4.5 | 6 | 6 | 6.9 | 7.9 |
重量(带断电刹车) | kg | 6.5 | 8 | 8 | 8.9 | 9.9 |
※ 其他特殊规格请与英士达机电或代理商洽谈。
| 选购配件 |
电机动力线:
型号 | 长度L(m) | 导体(m㎡) |
SDA-PC100-01E | 1 | 1 |
SDA-PC100-02E | 2 | |
SDA-PC100-03E | 3 | |
SDA-PC100-04E | 4 | |
SDA-PC100-05E | 5 | |
SDA-PC100-07E | 7 | |
…… | …… | |
SDA-PC100-10E | 10 |
※ 用于伺服电机与驱动器之间连接时使用的已压连接器的1000万次超高柔拖链电缆线。
伺服电机与驱动器间的配线距离,请控制在10m以下。
电机编码器线:
型号 | 长度L(m) | 导体(m㎡) |
SDA-EC020-01E | 1 | 0.2 |
SDA-EC020-02E | 2 | |
SDA-EC020-03E | 3 | |
SDA-EC020-04E | 4 | |
SDA-ED020-05E | 5 | |
SDA-EC020-07E | 7 | |
…… | …… | |
SDA-EC020-10E | 10 |
※ 用于伺服电机与驱动器之间连接时使用的已压连接器的1000万次超高柔拖链电缆线。
伺服电机与驱动器间的配线距离,请控制在10m以下。
电机刹车线:
型号 | 长度L(m) | 导体(m㎡) |
SDA-BC100-01E | 1 | 1 |
SDA-BC100-02E | 2 | |
SDA-BC100-03E | 3 | |
SDA-BC100-04E | 4 | |
SDA-BC100-05E | 5 | |
SDA-BC100-07E | 7 | |
…… | …… | |
SDA-BC100-10E | 10 |
※ 用于伺服电机与驱动器之间连接时使用的已压连接器的1000万次超高柔拖链电缆线。
伺服电机与驱动器间的配线距离,请控制在10m以下。



