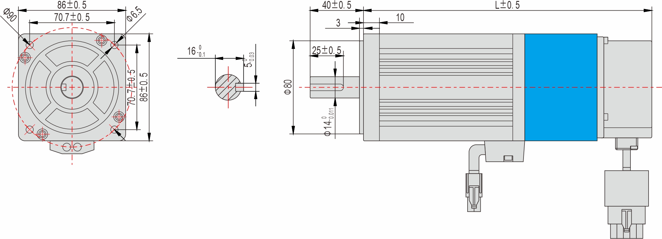
| 外形图(带断电刹车) |

※ 部分为断电刹车;
※ 我们可以根据您的需求定制伺服电机的电气参数,也可以增配行星减速机等;
※ 伺服电机安装时务必用伺服电机前端盖安装止口定位,并注意公差配合,严格保证伺服电机输出轴与负载的同心度。
| 86mm 系列(带断电刹车) |
型号 | 外形尺寸 | 重量(kg) |
L(mm) | ||
YSD09075ASK-S | 207 | 4 |
YSD09100ASK-S | 239 | 5.1 |
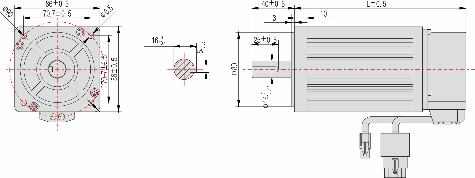
| 外形图 |

※ 我们可以根据您的需求定制伺服电机的电气参数,也可以增配行星减速机等;
※ 伺服电机安装时务必用伺服电机前端盖安装止口定位,并注意公差配合,严格保证伺服电机输出轴与负载的同心度。
| 86mm 系列 |
型号 | 外形尺寸 | 重量(kg) |
L(mm) | ||
YSD09075ASK | 150 | 3.2 |
YSD09100MSK | 182 | 4.3 |
| 技术参数 |
伺服电机型号 | YSD09075ASK | YSD09100MSK | ||||
伺服电机型号(带断电刹车) | YSD09075ASK-S | YSD09100MSK-S | ||||
伺服驱动器型号 | SDA055-MF20-075 | SDA055-MF20-100 | ||||
法兰规格(□) | □86 | □86 | ||||
额定功率 | W | 750 | 1000 | |||
额定扭矩 | N.m | 2.4 | 4 | |||
kgf.cm | 24.49 | 40.82 | ||||
最大扭矩 | N.m | 7.1 | 12 | |||
kgf.cm | 72.49 | 122.44 | ||||
额定转数 | r/min | 3000 | 2500 | |||
转子惯量 | kg.m2X10-4 | 2.45 | 3.7 | |||
转矩常数 | N.m/A | 0.8 | 1 | |||
电压常数 | V/krpm | 50 | 61 | |||
电阻 | Ω | 3.1 | 2.68 | |||
电感 | mH | 7.1 | 6.23 | |||
电器时间常数 | ms | 2.29 | 2.32 | |||
规格与特征 | 结构 | 全封闭,无通风 IP65(不包括轴部分和连接处) | ||||
环境温度 | 工作温度:0~40℃,存储温度:-20~80℃ | |||||
环境湿度 | 低于90%(无凝露) | |||||
空气 | 避免阳光直射,避免腐蚀气体、易燃气体、油污或灰尘 | |||||
重量 | kg | 3.2 | 4.3 | |||
重量(带断电刹车) | kg | 4 | 5.1 | |||
※ 其他特殊规格请与英士达机电或代理商洽谈。
| 选购配件 |
电机动力线:
型号 | 长度L(m) | 导体(m㎡) |
SDA-PC050-01E | 1 | 0.5 |
SDA-PC050-02E | 2 | |
SDA-PC050-03E | 3 | |
SDA-PC050-04E | 4 | |
SDA-PC050-05E | 5 | |
SDA-PC050-07E | 7 | |
…… | …… | |
SDA-PC050-10E | 10 |
※ 用于伺服电机与驱动器之间连接时使用的已压连接器的1000万次超高柔拖链电缆线。
伺服电机与驱动器间的配线距离,请控制在10m以下。
电机编码器线:
型号 | 长度L(m) | 导体(m㎡) |
SDA-EC020-01E | 1 | 0.2 |
SDA-EC020-02E | 2 | |
SDA-EC020-03E | 3 | |
SDA-EC020-04E | 4 | |
SDA-ED020-05E | 5 | |
SDA-EC020-07E | 7 | |
…… | …… | |
SDA-EC020-10E | 10 |
※ 用于伺服电机与驱动器之间连接时使用的已压连接器的1000万次超高柔拖链电缆线。
伺服电机与驱动器间的配线距离,请控制在10m以下。
电机刹车线:
型号 | 长度L(m) | 导体(m㎡) |
SDA-BC050-01E | 1 | 0.5 |
SDA-BC050-02E | 2 | |
SDA-BC050-03E | 3 | |
SDA-BC050-04E | 4 | |
SDA-BC050-05E | 5 | |
SDA-BC050-07E | 7 | |
…… | …… | |
SDA-BC050-10E | 10 |
※ 用于伺服电机与驱动器之间连接时使用的已压连接器的1000万次超高柔拖链电缆线。
伺服电机与驱动器间的配线距离,请控制在10m以下。
| 电缆线注意事项 |

|
| |
插拔连接器时,请务必握住连接器进行操作。 如果拉住电缆线进行操作,可能会导致接触不良。 | 请勿弯曲连接器部分的电缆线,如果连接部或端子施加应力,可能会导致接触不良或断线。 请固定红色两处连接器部分,以防止连接器部晃动,导致端子损坏或接触不良。 | |
|
| |
插入连接器时: 请握住连接器本体,笔直插入。 如果倾斜插入,可能导致端子损坏或接触不良。 拔出连接器时: 请先解除连接器的卡扣,然后笔直拔出。 如果握住电缆线拔出,可能导致连接器损坏。 | 请使用适当的长度进行配线,以免电缆线移动时也不会被拉扯。此外,请确保弯曲半径R在电缆线直径6被以上。 |




